您想定期收到湯姆森電子郵件更新,包括應用故事,在線培訓的機會,新產品信息和鏈接在線設計工具。
Thomson精密梯形絲杠是滿足您直線運行需求的最經濟、最優異的解決方案。開發 和制造業內最高品質的梯形絲杠已經有超過40年的歷史。
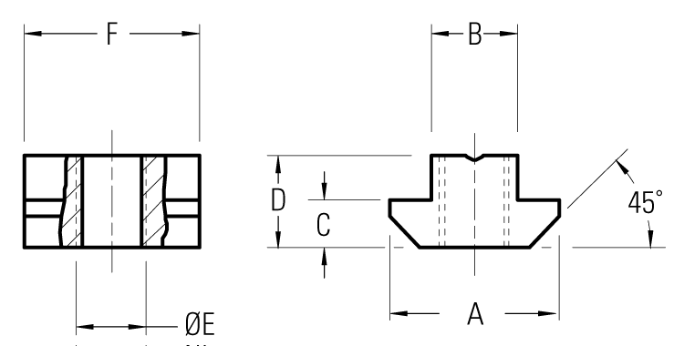
BSA梯形絲桿
電動梯形絲杠
滑動絲杠?
微型公制滾珠絲杠
Electrak HD直線推桿
填寫信息免費獲得280頁PDF提交后下載!
從輕載050s到高性能的能夠搬運1000磅最高負載的Electrak Pro系列產品,再到久 經驗證的T系列高精度直線執行器(電動缸),Thomson提供給您別處無法獲得的執 行器產品。
Max Jac? 線性傳動裝置
WhisperTrak? 直線執行器
湯姆森公司將各品牌最有競爭力的產品整合起來,實現優勢互補,從而形成了目前最 先進、最全面的產品門類。
WM/MLSM 直線單元
M/WH 直線單元
Thomson目前有兩個帳戶系統:一個用于網站和CAD模型下載,另一個用于電子商務。我們深知兩次登錄會帶來不便,因此正在努力整合系統。但在此之前,請遵守下列指南:
下載CAD模型 在LinearMotioneering®和MicronMotioneering®工具中保存和檢索項目 訪問Distributor Extranet(分銷商外部網)和所有相關資源 訪問全新的直線導軌資源頁面 步進電機直線執行器的防旋轉實施指南 即時3D報價工具
直接從Thomson在線訂購(僅限北美)
授權的Thomson分銷商可以在線查看報價和訂購(全球)查看購物車并查找先前的直接訂單
Sign In
Can't find what you're looking for? Go to the Product Selector
直線運動單元, XCAN 6 NUT
*Please fill out the information below so we can best assist you: