SSUTWN12-XS

SSUTWN12-XS
SSUTWN12-XS

直線軸承, 軸承座, 超智能, 0.75 英寸, 閉合型, 雙, 自調心, 氧化發黑; 配合使用 0.75 英寸 直徑 L級 端部支撐應用中的軸


  • 用于末端支撐軸的封閉軸承座。
  • 用于L級導向軸
  • 每個軸承座中都有出廠安裝的滾珠襯套軸承
  • 黑色陽極氧化鋁合金(無圖片)

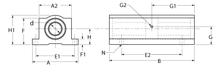
Dimensions

dimensions
尺寸價值
[A]2.75 英寸
[A2]1.88 英寸
[B]4.5 英寸
[d] 軸,標稱直徑0.75 英寸
[E1]2.375 英寸
[E1] 公差± 0.010 in 
[E2]3.5 英寸
[E2] 公差± 0.010 in 
[F]1.56 英寸
[F1]0.31 英寸
[G]0.94 英寸
[G1]2.25 英寸
[G2] 潤滑接口1/4-28 
[H]0.937 英寸
[H1]1.75 英寸
[N]0.19 in 

Specifications

Specifications價值
Temperature Max185 °F
Weight5.282 lb
材質鋁合金;塑料;橡膠 
單/雙雙 
封閉/開放/可調節閉合型 
黑色陽極氧化氧化發黑 
可調節(不可調節 = 空白)不可調節 
用于軸系L級 
自對準自調心 

Performance

performance graphic
performance graphic
Performance價值
負載能力,動態2260 磅力

Get Quote

*Please fill out the information below so we can best assist you: